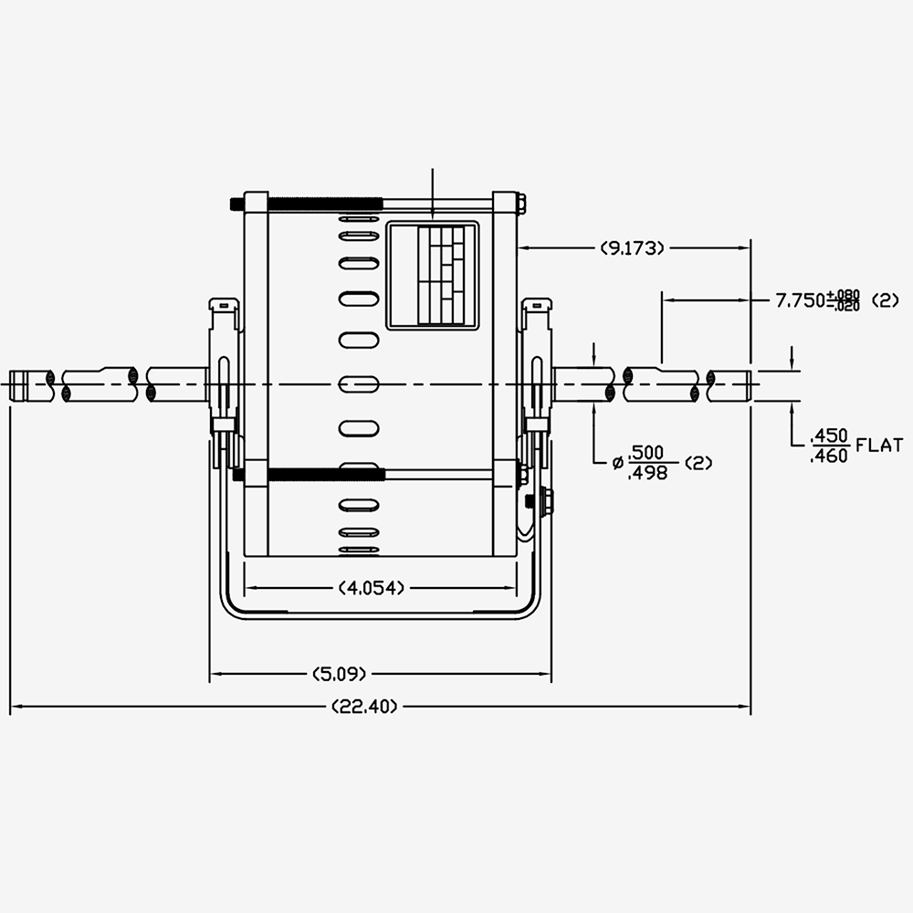
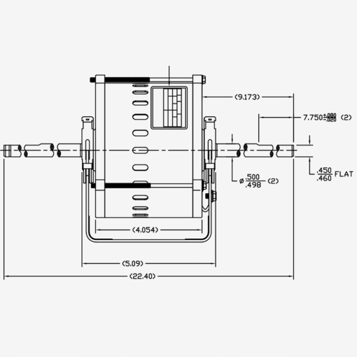
This is the 5061S Brushfree electric motor – CS-89 Fasco
Motor Information : 120V – 50/60 HZ – 1/10th HP – 3 speed – 1100 / 900 / 700 RPM – Constant Speed Dual Shaft Blower Motor
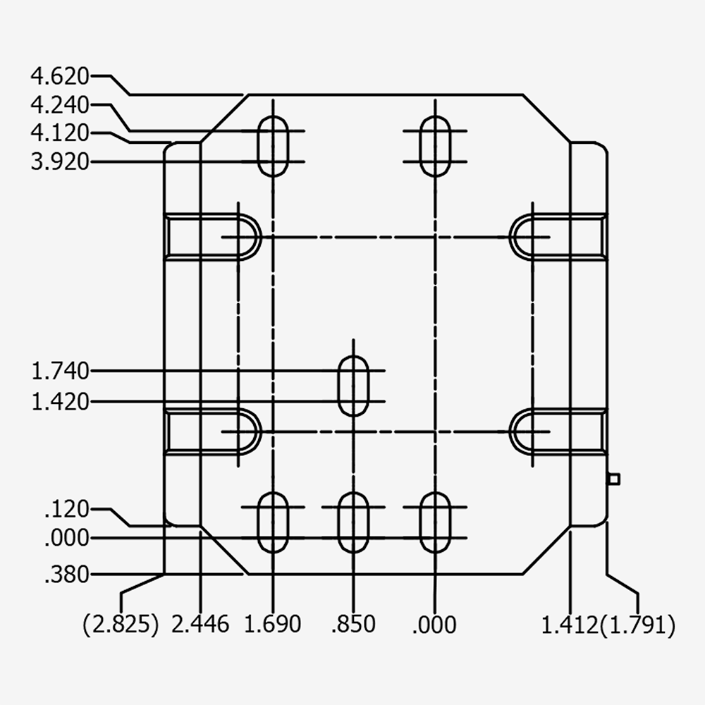
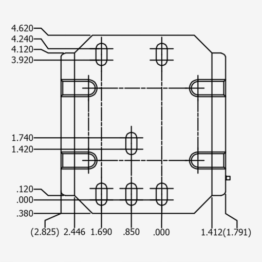
PLEASE NOTE – Replacement Motor is supplied with a new base. This motor will not fit in the original base.























